

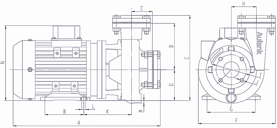
高溫熱水泵特點:
1、采用電機直接聯接,機泵軸完全同心,振動小,噪音低,保證運行平穩。
2、節省空間,最大限度地縮小了泵的占地面積和占用空間,節省投資。
3、可靠的機械密封結構,保證了介質輸送
4、泵內除機械密封磨擦副外無任何金屬性磨擦,性能保持長期穩定。
高溫熱水泵用途:
1、高溫模溫機,油加熱器,橡膠機械模溫機等高溫溫控設備。
2、適用于能源,冶金,浴室,賓館等鍋爐熱水增壓輸送。
3、各種成套溫控設備中的大流量增壓泵。
4、熱油,燃料等高溫熱媒的輸送。
高溫熱水泵材質:
1、泵體:鑄鐵。
2、軸心材質:不銹鋼。
3、密封材質:碳化硅或合金或陶瓷+石墨+高溫橡膠
4、葉輪:黃銅。
5、電機絕緣等級:F級。
6、防護等級:IP54。





管理員
該內容暫無評論